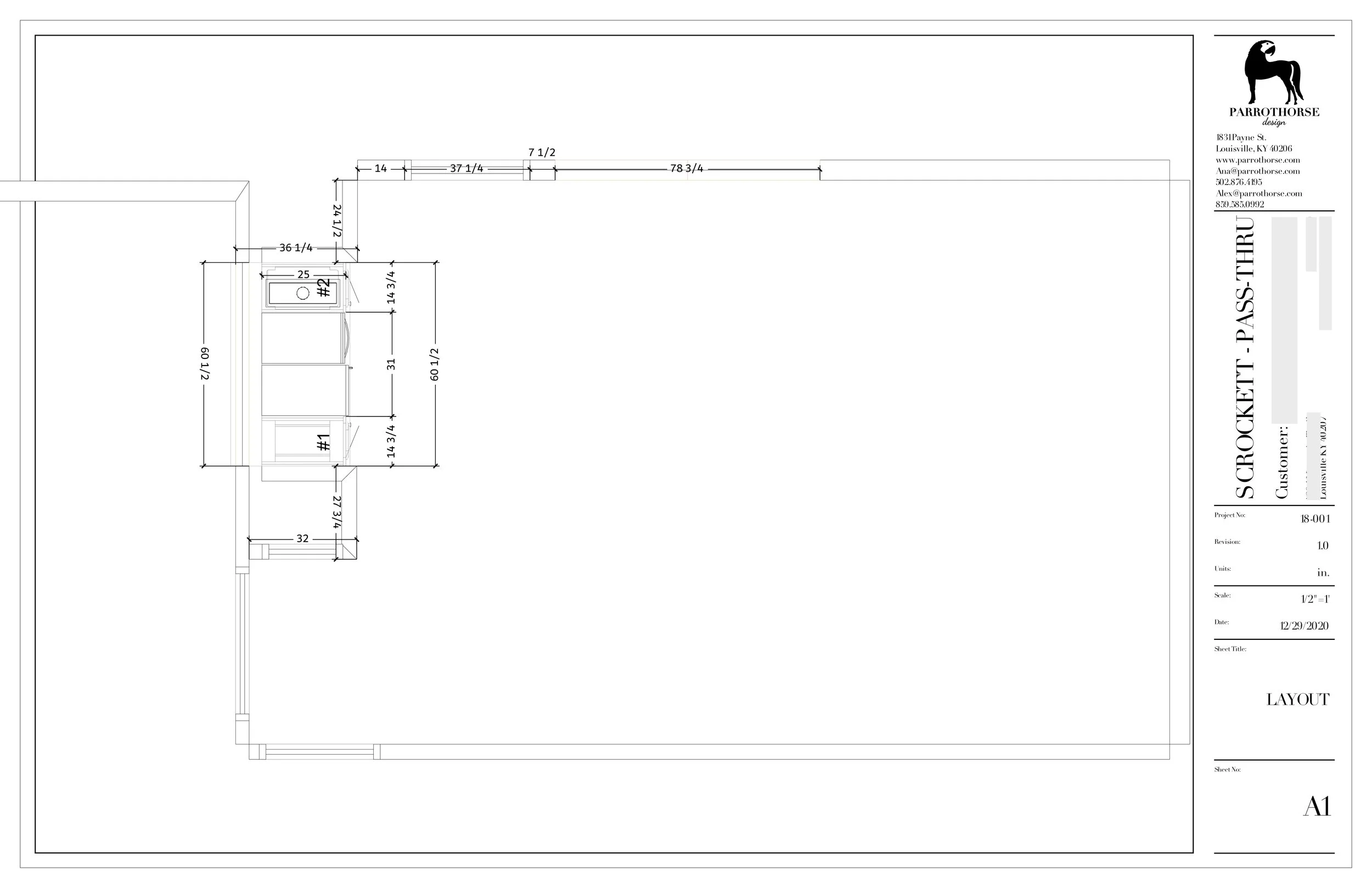
Pass Thru
This client asked us to help them come up with some drawings and visualizations for their contractor to use for quoting, and executing their renovation. They wanted to have a pass-thru from a den into a kitchen area to create a more open & inclusive entertaining feel for this area of their home. Mirror on either side of the pass-thru help to spread light into the two spaces. The storage above and the bar in the den area made this a great renovation for entertaining.
